
Navštíveno 1010x


26.07.2009, 04:51 |
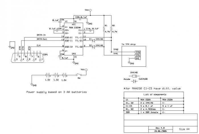
JP [ Link ] Je tady někdo, kdo by byl schopnej dát tohle spolehlivě dohromady? Asi bych se do toho pustil sám, ale vyhrabal bych tu maximálně COM1 konektor a hlavně to potřebuju bezpodmínečně do pátku...:-). Určitě neni nutný žádný profi provedení, stačí když to bude fungovat. Je to čtečka na security čip v notesu.
Dám za to 500,- (když se nikdo nenajde, bude cena narůstat s blížícím se termínem:-D)

co pavel 528
šikovnej je na to dost
a zbytek je na tom jestli je to pro něj zajímavej kšeft
na co to je datový kabel? Tohle by neměl být problém...jinak mám doma něco hotového z dob stavění kabelů na x35 a 3310 :-) Nemá to maxe, ale úrovně jsou řešené tranzistory, taky by to mohlo fungovat :-)


26.07.2009, 10:50 |
Pavel 528 | Upraveno: 2009-07-26 10:51:51
tak urcite to muzu udelat,ale o kousek vejs,za 500,- ne...
JP:kdyztak se ozvi..
jako pavel taky muzu ale za 500 fakt ne:-)
jaké máte platy, že asi za 2-3h nevemete 500? Teda skoro 500, součástky tipuju 50-60Kč
Za kolik je tam soucastek, za 50kc? Bejt tebou, zajdu do prvniho obchodu se soucastkama nebo objednam na netu, soucastky+ten univerzalni plosnak a mas to za 20 minut spachany, nebude to malicky, kompaktni, ale na precteni toho malyho zmrda to stacit bude...
Ja to resil koupi novyho chipu za asi 17 euro, a preletovani...

reknu to asi takto,pokud bych delal serii treba 10ks,bude cena jinde,ale delat jeden kus,tak na to jsem linej a zrovna tady ds232 nemam a pokud pro ni pojedu,tak s tim stravim hodinu casu jen na ceste a projedu 50kc v benzinu,pak to udelas sice do hodky,ale proste neni to zadnej kseft..o))
to uděláš vklidu sám pokud chápeš co na tom papíře je :)

27.07.2009, 15:12 |
JP Ono jde právě o to, že na to nemam součástky a někam pro ně jezdit, na to teď nemam čas. Kdyby tu byl někdo, komu se to všechno válí v šuplíku, asi by to bylo zajímavý, takhle chápu že ne (ze stejnýho důvodu se do toho nechce mě):)
tappaja: Tohle je na novější řady (T43, T60, R52...), tam neni normální atmel jako dřív, je to v čipu s asi 200 pinama... Na ty starší modely jsem čtečku zbastlil už před lety:)
Nakonec pro ty součástky asi stejně někam zajedu, zjistil jsem, že to nepospíchá až tak jak jsem myslel:)
Gut gut, u kamose byl pruser s CRC1 chybou, takze bud ctecka ($$), pak to vycist a nekomu poslat (dalsi $$) a opraveny to tam nahrat.
Takhle sem to poresil vymenou celyho chipu a hotovo. Pak se chyba zopakovala jeste jednou, vymenil sem baterku pro CMOS pamet a snad, tuk tuk tuk, to bude OK.
Asi takhle 352 kc mame za vymenu soucastek :-) a za den jich tak cca 30 kousku udelam:o) tady to mas namalovat,udelat plosnak,osadit,vyzkouset proste voprc minimalne za 1000 dneska za 1200 zitra a za 2500 v patek :oD uznavam ze za hodku se to stihnout da bez zkousek :-)

27.07.2009, 17:24 |
JP | Upraveno: 2009-07-27 17:25:10
Za 1200,- to tu mam v pátek i s poštou přímo od toho kdo to nakreslil, takže takovej úlet se naprosto určitě konat nebude:-). Ale takovej bakšiš už je totálně ujetej za něco co umí každej druhej, to to fakt radši zbastlim sám za 50Kč. Víceméně jsem to už možná mohl mít hotový za ten čas, co jsem tady zbytečně propsal:). Docela mě to překvapilo, mít takovej plat, že za tohle pod 1.000 nejdu, tak se asi taky nechám zaměstnat. Pak že je nějaká krize:-D

30.07.2009, 12:38 |
JP Zbastleno za 33,- Kč a 40 minut, součástky koupeny cestou na černej most v GME, tzn. asi 10 minut navrch:)
Takže kdyby někdo potřeboval odheslovat jakejkoliv ThinkPad, dejte vědět... Tak 2.000,- by mohly stačit:-D
Super, takze umis vycist a opravit a nahrat to nazpatek? Mam tu jeden Atmel, kterej je bloklej...

30.07.2009, 12:59 |
DaveF jen těm 10min zdržení v gme se mi nějak nechce věřit :-)

30.07.2009, 14:57 |
JP tappaja: zatim jsem koupil jenom reader, writer koupim až ho budu potřebovat:). Já to pak udělám klidně gratis, resp. za dopravu, ale u CRC se k nim ten soubor musí poslat na přepsání (nebo jestli to umíš sám...), což stojí tušim 25USD.
DaveF: možná to ani nebylo těch 40 (možná víc, možná míň), já jsem během toho asi 5x odběhnul řešit něco jinýho a možná byl nějakej telefon, ale odhadem to tak bylo. V GME to víc než 10 minut rozhodně nebylo, zaparkoval jsem, vyběhnul do patra, tam jsem dal prodavači ten plánek se seznamem, za ne víc než 2 minuty se vrátil, zaplatil jsem ty drobáky a zase běžel. Jsou tam jindy fronty, nebo co se ti nezdá?
No prave, zatim kupuju cely Atmely za 17 euro, takze se ta prace se cteni a zapisem nevyplati. A doufam, ze to byla moje posledni zkusenost s IBM :o) Dalsi preletovani by uz nemusel vydrzet plosnak...

30.07.2009, 16:07 |
DaveF v pohode, jen pamatuju stary prodejny GME, kde byvala fronta na min 1/2h :-) uz tam dlouho nechodim

30.07.2009, 16:43 |
JP Já tam byl poprvé, předtim jsem vždycky všechno kupoval přes e-shop, takže nevim jak to tam chodilo dřív... Teď tam maj pokladnu snad každý 3 metry a jen choděj s čtečkou čárovejch kódů pro věci:)

30.07.2009, 16:48 |
JP tappaja: Já takový věci nerad pájim, jsem na to levej (vymlouvám se teda na velký ruce:)). Když se tomu dá vyhnout, jdu do toho. Horší je to třeba u pojistek, tam se tomu nevyhnu.