Auto HI-FI Club CZ

autohifi,auto hi-fi,auto hifi,autohificlub,auto hi-fi club,club, klub,fórum,autorádio,autozesilovač,autorádio cd,autorádio mp3,autorádio dvd, tuning,srazy,tuningshow,klub,emma,dbdrag,tuning,autotuning,carstyling, tlumeni, Alpine,octavia,Brax,Denon,Clarion,Pioneer,Sony,panasonic,Helix, Dynamat,dego,Hertz,Audison,Fusion,McIntosh,Focal,Rockford Fosgate,Dynaudio,JBL,xenony,becker,jvc,kenwood,ground zero,dietz,morel doorboardy ,zapojeni,felicia,pioneer,peugeot,zastavba,audio,306,repro,golf,instalace,dls,4x100,FELICIE,morpheus,helix,audi(forum)

o

Forum > Ostatní > přepínač pro přepolování

 o Navštíveno 1926x o
o 03.04.2010, 09:17 | Šestikule
Poraďte mi prosím nějaký přepínač pomocí něhož budu měnit polaritu napájení elektromotru (přehazovat + a -), aby se mi točil jednou tak a podruhé na druhou stranu. Bude mi na to stačit nějaký takovýto: [ Link ]

Potřebuji tam mít i tu střední polohu, kdy je motor vypnut. Případně budu rád i za jednoduchý nákres, jak to zapojit. Díky.


o 03.04.2010, 09:22 | axetom
zalezi na prikonu toho motoru
o 03.04.2010, 09:33 | Ravo
jo stačit by to mělo, dej si pozor na maximální proud (pozor při rozběhu) který si ten motor vezme, aby se ti ten vypínač neroztekl.

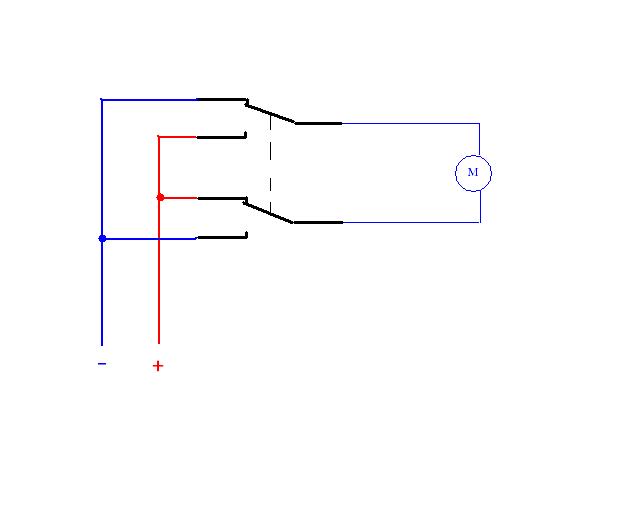
foto k příspěvku  od Ravo

o 03.04.2010, 10:33 | Šestikule
Ravo: díky moc. Je to na 12V motorky pro sklápění zrcátek, takže by to mělo v pohodě vydržet. Motorky mám nainstalovaný a chybí mi už právě jen dodělat přepínač do kabiny.
o 04.04.2010, 15:06 | Area51
Na tom nákresu nevidim tu vypnutou polohu... :)
o 04.04.2010, 20:37 | .mycTD
predpokladam, ze to rozepne nekde nejakej koncak
o 05.04.2010, 19:16 | Šestikule
Ono, dvakrát řež jednou měř. Takže jak jsem včera večer uklízel krabice v garáži, objevil jsem v krabici i origo kabeláž motorických zrcátek se spínačem, bylo to sice pro Hondu Civic, ale konektory jsem oštípal a zapojil dle sebe. Zrcátka už krásně fachají.
o  Zpět  o  Nahoru
o
 

Vložit nový příspěvek do fóra


  Pro vložení příspěvku musíte být přihlášen/a.
Stránka vygenerována za 0.1785 sekund.